ホーム
人気記事ランキング
イード・アワード(顧客満足度調査)
ReseMom Editors' Choice
教育・受験
未就学児
小学生
中学生
高校生
大学生
高校偏差値
公立高校・過去問
ミツカル学び
ミツカル教育通信
国際教育
留学
海外進学
インターナショナルスクール
英語
英検
TOEIC
TOEFL
IELTS
ミツカル英会話
プログラミング
イベント
未就学児
小学生
中学生
高校生
大学生
大学受験 by 東進
トップ
>
都道府県別公立高校入試(問題・正答)
>
神奈川県
>
2015年度
>
理科・問題
>
9ページ
2015年度 神奈川県公立高校入試(理科・問題)9/14
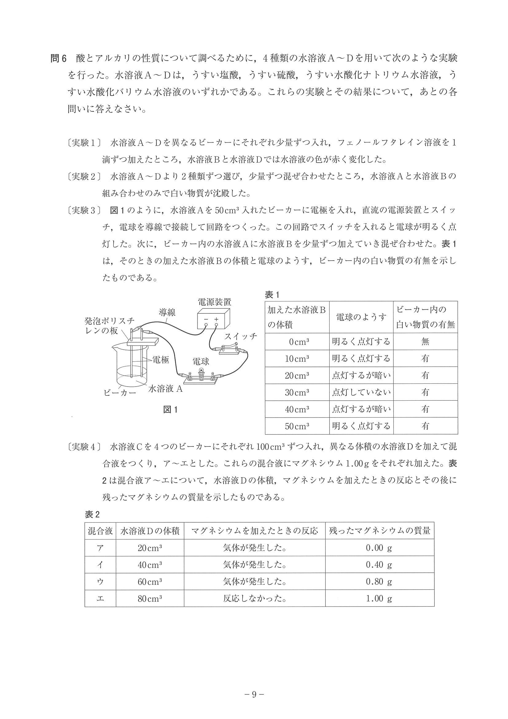
【理科】
1
2
3
4
5
6
7
8
9
10
11
12
13
14
正答1
公立高校の問題・正答は、各都道府県の教育委員会より提供いただき掲載している。
一部、著作権などの理由で掲載を控えている箇所や教科もある。
Tweet
Language
JP
/
CN
page top